Група компаній "ТехноМашСтрой" презентує революційну серію дезінтеграторів "Діпс" – потужні, високопродуктивні та надійні пристрої, що встановлюють нові стандарти у сфері надтонкого подрібнення. Вони ідеально підходять для роботи з матеріалами як природного, так і штучного походження, з рівнем твердості до 4 одиниць за шкалою Мооса. Завдяки інноваційній технології, "Діпс" легко обробляє матеріали з початковою фракцією до 10 мм, досягаючи вражаючої тонкості від 20 до 200 мкм.
Дезінтегратор – це пристрій або механізм, що використовується для подрібнення, руйнування або розділення матеріалів на дрібніші фракції шляхом механічного та ударного виду впливу.
Принцип роботи дезінтегратора базується на ударах частинок між собою або об тверді елементи пристрою, що забезпечує ефективне подрібнення.
Застосування дезінтеграторів:
Промисловість – для подрібнення твердих матеріалів (руди, вугілля, будівельних матеріалів).
Фармацевтика – подрібнення компонентів лікарських препаратів.
Наука та лабораторії – для отримання зразків з високою дисперсністю.
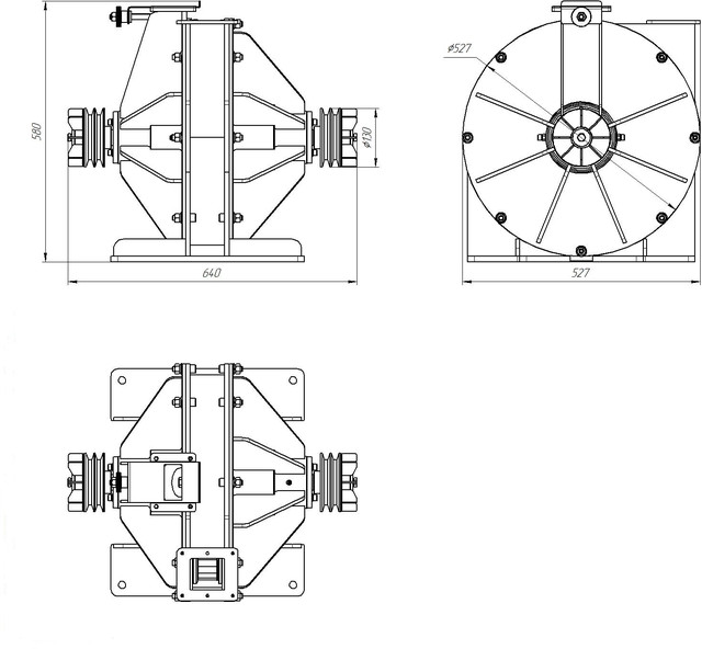
Технічні характеристики дезінтеграторів "Діпс":
Ступінь подрібнення: 20–200 мкм;
Кількість подрібнювальних елементів (пальців) на диску: 80 шт;
Ресурс подрібнювальних елементів: 400–600 тонн (залежно від матеріалу);
Діаметр рухомих дисків: 450 мм;
Частота обертання дисків: 3000 об/хв;
Типи електродвигунів:
4 кВт / 3000 об/хв х 2шт;
5,5 кВт / 3000 об/хв х 2шт;
*Конструкція голови подрібнювача адаптована до двох варіантів електродвигунів, що дозволяє обирати оптимальний баланс продуктивності та енергоефективності відповідно до вимог замовника.
Чому варто обрати "Діпс"?
Максимальна універсальність – Підходить для різних галузей, зокрема харчової, хімічної, будівельної.
Висока ефективність – Забезпечує стабільно якісний результат навіть при значних обсягах подрібнення.
Довговічність – Міцні матеріали та продумана конструкція гарантують ресурс подрібнювальних елементів до 600 тонн.
Дезінтегратори "Діпс" – це інноваційний підхід до подрібнення матеріалів, що забезпечує високу якість обробки та значну економію ресурсів. Замовляйте найкраще рішення для вашого виробництва вже сьогодні!

Ознайомитися з роботою обладнання для виробництва пелет або комбікорму Ви можете на наших каналах:
youtube.com - огляди роботи;
youtube.com - відгуки про роботу.